CHIOPT 长步道 RF27021A 工业镜头

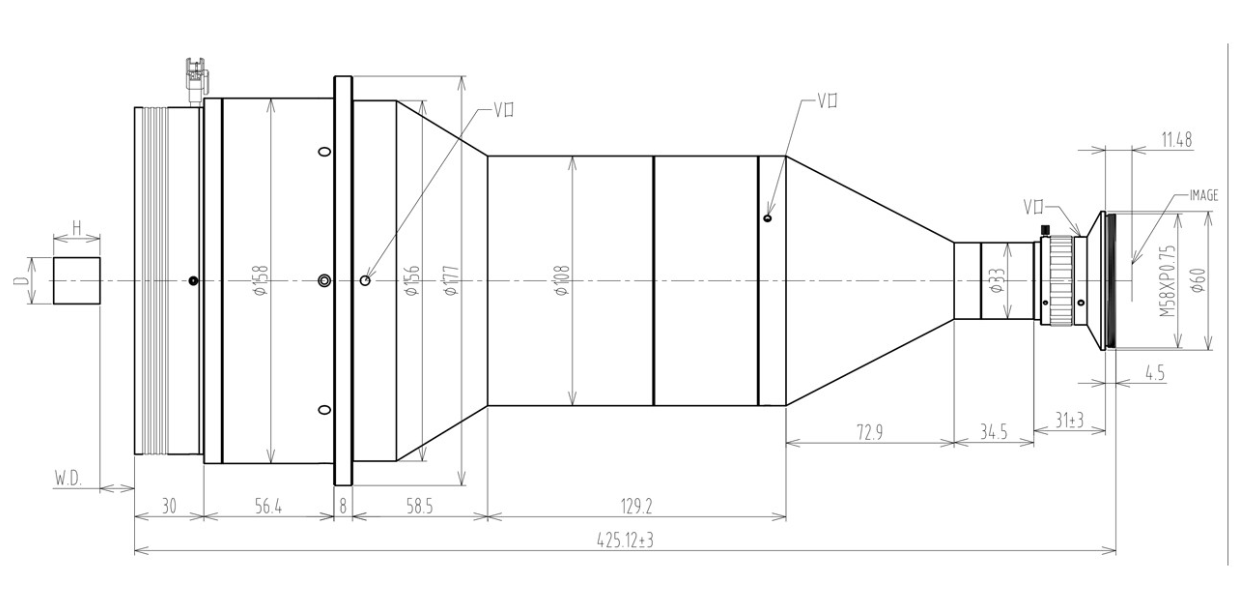
CHIOPT  长步道      RF27021A   工业镜头   基本参数   芯片尺寸 全画幅 最大像面尺寸 φ17.6 F.NO 6.8 工作距离(mm) 10-78 测量物直径(mm) 8、40、65 测量高度(mm) 5、31、21 镜头接口 M58×P0.75 法兰距离(mm) 11.48     手机/微信:18320955412   电话:86 0755 84689265  QQ:2423332841  邮箱:2423332841@qq.com
分类:
货号:
RF27021A
分享

相关产品

 
 

CHIOPT  长步道      RF27021A   工业镜头

 

基本参数
 
芯片尺寸 全画幅 最大像面尺寸 φ17.6
F.NO 6.8 工作距离(mm) 10-78
测量物直径(mm) 8、40、65 测量高度(mm) 5、31、21
镜头接口 M58×P0.75 法兰距离(mm) 11.48

 

 

手机/微信:18320955412   电话:86 0755 84689265  QQ:2423332841  邮箱:2423332841@qq.com