NEWPORT 优铂特 MTN200PPV6 MTN 高载重钢电动线性位移台
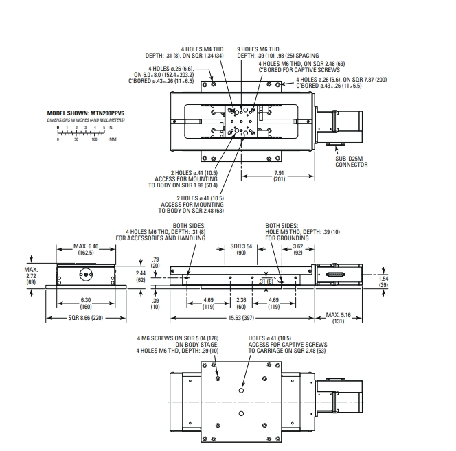
NEWPORT 优铂特 MTN200PPV6 MTN 高载重钢电动线性位移台 电动线性位移台,不锈钢,步进电机,200mm行程,真空,M4&M6 MTN 200 PPV 6线性位移台采用全钢结构,将高刚度和热稳定性与低轮廓设计相结合。这个步进驱动版本有200 mm的行程和0.1 µm最小位移增量。MTN位移台可承受高达100 kg的重量,具有高达200 N的极高轴向载重能力。其特点包括:相对的单行轴承表面、经过金刚石修正的丝杠、匹配的精密研磨螺母和非移动滚珠保持架设计。螺母设计包括防反冲预加载和精密的解耦系统,确保很少甚至没有位移台移动。非迁移式球笼设计可防止垂直应用中的任何漂移。真空兼容至10-6 Torr。注意:由于各种馈通配置和 顾客偏好,位移台附带的电缆不是真空兼容的。请联系Newport,了解真空兼容电缆。 参数 行程范围 200 mm 最大速度 20 mm/s 最小位移增量 400 nm 中心负载能力 1000 N 轴向负载 (+Cx) 100 N 逆轴向负载能力...
分类:
货号:
MTN200PPV6
分享
描述
NEWPORT 优铂特 MTN200PPV6 MTN 高载重钢电动线性位移台
电动线性位移台,不锈钢,步进电机,200mm行程,真空,M4&M6
MTN 200 PPV 6线性位移台采用全钢结构,将高刚度和热稳定性与低轮廓设计相结合。这个步进驱动版本有200 mm的行程和0.1 µm最小位移增量。MTN位移台可承受高达100 kg的重量,具有高达200 N的极高轴向载重能力。其特点包括:相对的单行轴承表面、经过金刚石修正的丝杠、匹配的精密研磨螺母和非移动滚珠保持架设计。螺母设计包括防反冲预加载和精密的解耦系统,确保很少甚至没有位移台移动。非迁移式球笼设计可防止垂直应用中的任何漂移。真空兼容至10-6 Torr。注意:由于各种馈通配置和 顾客偏好,位移台附带的电缆不是真空兼容的。请联系Newport,了解真空兼容电缆。
参数
-
行程范围200 mm
-
最大速度20 mm/s
-
最小位移增量400 nm
-
中心负载能力1000 N
-
轴向负载 (+Cx)100 N
-
逆轴向负载能力 (-Cx)-21 N
-
精度,典型值±2.0 µm
-
精度,保证值±2.5 µm
-
单向重复精度,典型值±0.50 µm
-
单向重复精度,保证值±0.75 µm
-
双向重复精度,典型值±2.25 µm
-
双向重复精度,保证值±2.75 µm
-
俯仰,典型值±20 µrad
-
俯仰,保证值±40 µrad
-
俯仰顺应性6 µrad/Nm
-
偏摆,典型值±17 µrad
-
偏摆,保证值±35 µrad
-
偏摆顺应性5 µrad/Nm
-
滚转顺应性4 µrad/Nm
-
驱动方式Stepper Motor
-
原点重复精度±5 µm
-
电缆长度3 m
-
真空兼容性10-6 Torr
-
螺纹类型M4 and M6
-
重量16.5 kg
-
MTBF20,000 h (25% load, 10% duty cycle)
-
最大耗电量10 W
-
顺应性RoHS 3, CE

手机/微信:18320955412 电话:86 0755 84689265 QQ:2423332841 邮箱:2423332841@qq.com