NEWPORT 优铂特 MS-200M-XYZ 定位销轴承铝制平台

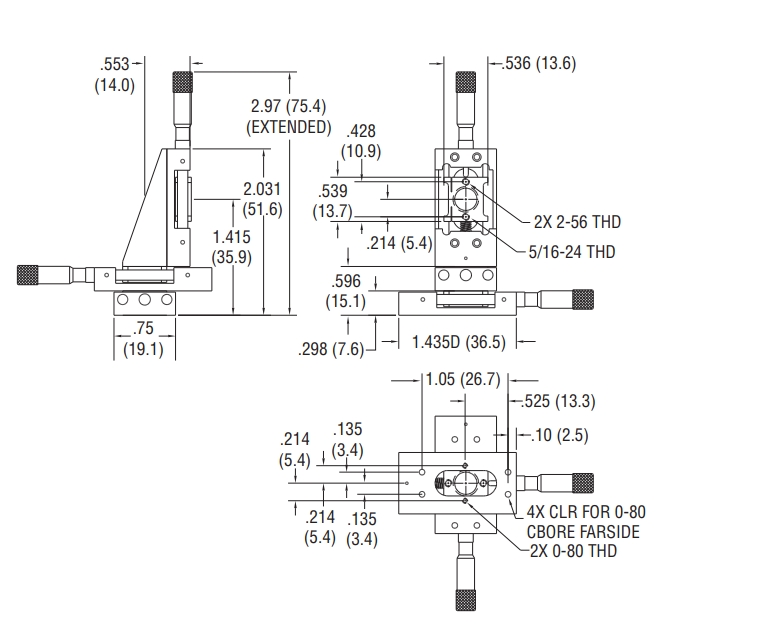
NEWPORT   优铂特    MS-200M-XYZ     定位销轴承铝制平台   XYZ线性位移台,微型,测微计,0.20 英寸行程,0.75 磅载重   MS-200-XYZ微型线性位移台在极小的外壳内提供了无与伦比的性能。它非常适合于需要精度但是空间有限的应用。这个微型定位器提供XYZ配置。硬化精密棒预加载到四个角硬化滑块上,以实现平稳、耐磨的运动。复位弹簧提供内置的预紧力以消除间隙。独特的托架设计消除了摆动,同时提供了极为坚固的位移台。MS-125-XYZ为高达0.75磅的负载提供0.2英寸行程。它利用三个千分尺在这个尺寸的位移台中提供无与伦比的分辨率。 参数   位移轴 X, Y, Z   最大位移台行程 5 mm     中心负载  3.3 N   回程力 170–567 g   推荐促动器 Included   灵敏度 2 µm     角度偏差 <200 µrad   摆动,保证值 0.01 mrad     材料 Aluminum   轴承 Dowel Pin Bearing   驱动位置 Cen...
分类:
货号:
MS-200M-XYZ
分享

相关产品

 
 

NEWPORT   优铂特    MS-200M-XYZ     定位销轴承铝制平台

 

XYZ线性位移台,微型,测微计,0.20 英寸行程,0.75 磅载重

 

参数

 
  • 位移轴
    X, Y, Z
     
  • 最大位移台行程
    5 mm  
     
  • 中心负载 
    3.3 N
     
  • 回程力
    170–567 g
     
  • 推荐促动器
    Included
     
  • 灵敏度
    2 µm  
     
  • 角度偏差
    <200 µrad
     
  • 摆动,保证值
    0.01 mrad  
     
  • 材料
    Aluminum
     
  • 轴承
    Dowel Pin Bearing
     
  • 驱动位置
    Center drive
     
  • 尺寸
    36.3 x 19.1 x 7.6 mm
     
  • 螺纹类型
    2-56 and 5/16-24

 

 

 

 

 

手机/微信:18320955412   电话:86 0755 84689265  QQ:2423332841  邮箱:2423332841@qq.com