NEWPORT 优铂特 M-MR1.4 双定位销轴承合金钢制线性平台

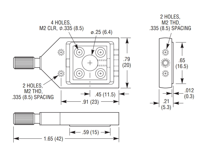
NEWPORT   优铂特    M-MR1.4     双定位销轴承合金钢制线性平台   手动线性位移台,微型,4 mm 行程,4.9 N 载重能力   M-MR1.4微型线性位移台是我们提供的最小位移台之一。它使用双定位销钉轴承,对于它的尺寸而言提供了出色性能。它提供4毫米行程和4.4N负载能力。这些位移台可以组合在一起来形成XY和XYZ配置。 参数   位移轴 X   最大位移台行程 4 mm     中心负载  4.9 N   推荐促动器 Included   灵敏度 5 µm     角度偏差 5 mrad   材料 Alloy Steel   轴承 Dowel Pin Bearing   驱动位置 Center drive           手机/微信:18320955412   电话:86 0755 84689265  QQ:2423332841  邮箱:2423332841@qq.com...
分类:
货号:
M-MR1.4
分享

相关产品

 
 

NEWPORT   优铂特    M-MR1.4     双定位销轴承合金钢制线性平台

 

手动线性位移台,微型,4 mm 行程,4.9 N 载重能力

 

参数

 
  • 位移轴
    X
     
  • 最大位移台行程
    4 mm  
     
  • 中心负载 
    4.9 N
     
  • 推荐促动器
    Included
     
  • 灵敏度
    5 µm  
     
  • 角度偏差
    5 mrad
     
  • 材料
    Alloy Steel
     
  • 轴承
    Dowel Pin Bearing
     
  • 驱动位置
    Center drive

 

 

 

 

 

手机/微信:18320955412   电话:86 0755 84689265  QQ:2423332841  邮箱:2423332841@qq.com