NEWPORT 优铂特 M-436 交叉滚子轴承铝制平台
相关产品
NEWPORT 优铂特 M-436 交叉滚子轴承铝制平台
手动线性位移台,交叉滚子轴承,50.8 mm,M6
交叉滚子轴承可在较长行程范围内提供高载重能力

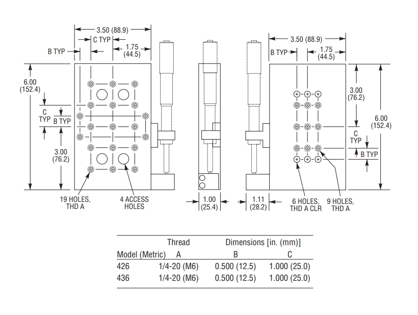
预加载的交叉滚子轴承可重复地进行零粘滑线性运动,而侧隙可忽略不计。 滚子条将夹持的圆柱滚子交替倾斜90°,以确保用退火处理后切割的方式保持恒定的线性接触。426/436 长行程位移台具有额外的安装面积,使用交叉滚子轴承可提供更高的中心负载能力,同时保持整个 1英寸 或 2 英寸行程的平稳移动。促动器采用弹簧支撑,以实现最小的反冲和小于150 µrad 的偏差,所有这些均已通过 Newport 干涉测量质量保证设施的验证和确认。
可为左手或右手应用场景重新配置
这些扩展范围的位移台设计具有对称功能,可以将它们重新配置为左手或右手操作。该视频显示了一个426位移台被重新配置为可从位移台的另一侧接近促动器。当使用位移台进行垂直平移时,推荐使用左手配置,这对于改善某些系统中的调整可操作性也可能有用。
构建多轴位移台叠堆
我们的426/436系列位移台很容易堆叠,也可以与我们的 360-90型开槽斜支架结合使用,用于3轴(XYZ)平移。零干扰锁确保每个位移台的行程不相互影响。安装区域在实心平台或直径为 2 英寸孔径的平台上(426A 型和 436A 型)具有一系列 1/4-20 或 M6 的螺纹孔,该孔在 0.625 英寸 (16 mm) 的行程中始终显露在外。该视频演示了如何利用3个426位移台和一个360-90的斜支架来组装3轴(XYZ)手动线性平移系统。(请注意,建议使用左手配置进行垂直平移。)
兼容手动或电动促动器

这些位移台与促动器分别销售,使您可根据所需精度自定义平移。安装后,促动器可方便快捷地互换以进行任何必要的调整。调节螺丝、游标测微计、差动测微计和电动促动器都适用于这些左手或右手配置位移台上的不锈钢促动器安装座。
参数
-
位移轴X
-
最大位移台行程50 mm
-
中心负载556 N
-
轴向负载67 N
-
角度偏差<150 µrad
-
材料Aluminum
-
轴承Crossed-Roller Bearings
-
驱动位置Side drive
-
平台尺寸88.9 x 152.4 mm
-
高度25.4 mm
-
重量2.447 lbs
-
螺纹类型M6
-
推荐使用调节螺丝AJS100-2
-
推荐的游标卡尺SM-50
-
推荐使用 LTA 电动促动器1LTA-HS
注释:
-
当与 436 位移台一起使用时,需要一个 1.6 毫米厚的垫圈将行程范围居中。
手机/微信:18320955412 电话:86 0755 84689265 QQ:2423332841 邮箱:2423332841@qq.com