NEWPORT 优铂特 M-460PD-X 燕尾式滑动铝制平台
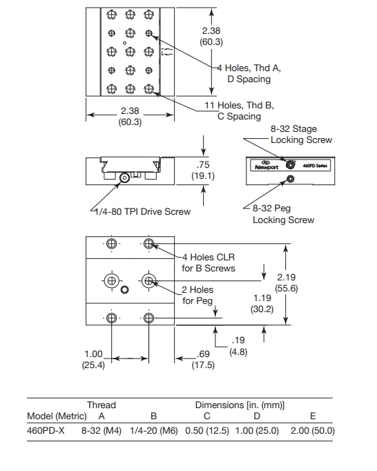
NEWPORT 优铂特 M-460PD-X 燕尾式滑动铝制平台 手动线性位移台,燕尾式,栓钉连接,12.7毫米行程,M4和M6 M-460PD-X栓钉连接、1轴(X)燕尾直线位移台对于需要高负载和高稳定性的应用是首选。与轴承位移台相比,它更不容易受到冲击和振动的影响。M-460PD-X将用于精确定位的80 TPI驱动螺钉、12.7毫米的行程、一体式锁定机构以及我们专利的实现灵活模块化的栓钉连接系统结合在一起。 我们创新的栓钉使得将这些位移台连接在一起变得非常简单。通过将销钉拧进到螺纹孔、将位移台放置在突出的销钉上以及在位移台侧面上拧紧两个固定螺丝,可以实现牢固的组装。位移台堆叠能够轻松拆卸并且重新组装成许多配置。销钉也可以放置在平台上 的各个位置,以实现稳定的偏离组装。每个位移台都有四个通孔,以提供额外的安装灵活性,并且配有两个销钉和四个薄型螺钉。 460PD系列燕尾位移台与我们的460P系列模块化滚珠轴承线性位移台完全兼容。它们具有相同的尺寸,并且可以使用相...
分类:
货号:
M-460PD-X
分享
描述
NEWPORT 优铂特 M-460PD-X 燕尾式滑动铝制平台
手动线性位移台,燕尾式,栓钉连接,12.7毫米行程,M4和M6
M-460PD-X栓钉连接、1轴(X)燕尾直线位移台对于需要高负载和高稳定性的应用是首选。与轴承位移台相比,它更不容易受到冲击和振动的影响。M-460PD-X将用于精确定位的80 TPI驱动螺钉、12.7毫米的行程、一体式锁定机构以及我们专利的实现灵活模块化的栓钉连接系统结合在一起。
我们创新的栓钉使得将这些位移台连接在一起变得非常简单。通过将销钉拧进到螺纹孔、将位移台放置在突出的销钉上以及在位移台侧面上拧紧两个固定螺丝,可以实现牢固的组装。位移台堆叠能够轻松拆卸并且重新组装成许多配置。销钉也可以放置在平台上
的各个位置,以实现稳定的偏离组装。每个位移台都有四个通孔,以提供额外的安装灵活性,并且配有两个销钉和四个薄型螺钉。
460PD系列燕尾位移台与我们的460P系列模块化滚珠轴承线性位移台完全兼容。它们具有相同的尺寸,并且可以使用相同的销钉连接系统将其连接在一起。参数
-
位移轴X
-
最大位移台行程12.7 mm
-
中心负载67 N
-
轴向负载22 N
-
推荐促动器Included
-
灵敏度1 µm
-
材料Aluminum
-
轴承Dovetail Slide
-
驱动位置Center drive
-
平台尺寸60.3 x 60.3 mm
-
高度19.1 mm
-
螺纹类型M4 and M6
-
手机/微信:18320955412 电话:86 0755 84689265 QQ:2423332841 邮箱:2423332841@qq.com