NEWPORT 优铂特 443 扩展范围滚珠轴承线性平移台
NEWPORT 优铂特 443 扩展范围滚珠轴承线性平移台 线性平移台,高性能,薄型,滚珠轴承,2.0 英寸,1/4-20 443线性位移台是3英寸x 6英寸的大型平台,具有卓越的性能,可用性和价值,采用精密的滚珠轴承结构–硬化的滚珠在相对的成对硬化和抛光不锈钢棒之间滚动,从而提供了优于200微弧度的角度偏差。为了获得稳定性,可重复性和异常平稳的运动,促动器支撑在硬化的硬质合金刀片上。弹簧提供对促动器尖端的预紧力,以消除间隙。尽管平台可以移动完整的4英寸(102毫米),但促动器安装块可以重新配置,以适应1.9英寸(50毫米)的行程。该平台也可以重新配置为左手版本,千分尺位于相对侧。无影响的锁(对于左手配置也是可逆的)提供了可靠的稳定定位并防止意外调整。此平台的促动器单独出售。 滚珠轴承提供平滑的线性平移 与通过滚动运动引导线性平移相比,这些位移台中的滚珠轴承可减少摩擦力。尽管为了避免轴承中出现不必要的摆动而在外部装入导轨,但是摩擦力依然...
分类:
货号:
443
分享
描述
NEWPORT 优铂特 443 扩展范围滚珠轴承线性平移台
线性平移台,高性能,薄型,滚珠轴承,2.0 英寸,1/4-20
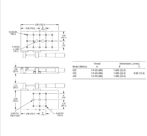
443线性位移台是3英寸x 6英寸的大型平台,具有卓越的性能,可用性和价值,采用精密的滚珠轴承结构–硬化的滚珠在相对的成对硬化和抛光不锈钢棒之间滚动,从而提供了优于200微弧度的角度偏差。为了获得稳定性,可重复性和异常平稳的运动,促动器支撑在硬化的硬质合金刀片上。弹簧提供对促动器尖端的预紧力,以消除间隙。尽管平台可以移动完整的4英寸(102毫米),但促动器安装块可以重新配置,以适应1.9英寸(50毫米)的行程。该平台也可以重新配置为左手版本,千分尺位于相对侧。无影响的锁(对于左手配置也是可逆的)提供了可靠的稳定定位并防止意外调整。此平台的促动器单独出售。
滚珠轴承提供平滑的线性平移

与通过滚动运动引导线性平移相比,这些位移台中的滚珠轴承可减少摩擦力。尽管为了避免轴承中出现不必要的摆动而在外部装入导轨,但是摩擦力依然可以忽略不计,在整个距离之内实现平滑移动。每个轴的运动都可以轻松地锁定到位。
设计用于重新配置为左手或右手操作
这些扩展范围的位移台设计具有对称功能,可以将它们重新配置为左手或右手操作。该视频显示了一个423位移台被重新配置为可从位移台的另一侧接近千分尺。这是允许将平台用于垂直移动所必需的,同时对于改善调整的可操作性也很有用。另请注意,可以切换锁定位置和千分尺位置。
参数
-
位移轴X
-
最大位移台行程50 mm
-
中心负载258 N
-
轴向负载67 N
-
角度偏差<200 µrad
-
材料Aluminum
-
轴承Single-Row Ball Bearings
-
驱动位置Side drive
-
平台尺寸3.0 x 6.0 in.
-
高度1.0 in.
-
螺纹类型1/4-20
-
推荐使用调节螺丝AJS100-2
-
推荐的游标卡尺SM-50
-
推荐使用 LTA 电动促动器1LTA-HS
注释:
-
位移台行程范围限制为 46 毫米。
手机/微信:18320955412 电话:86 0755 84689265 QQ:2423332841 邮箱:2423332841@qq.com