OPT奥普特 OPT-FL250250-R 底部背光源
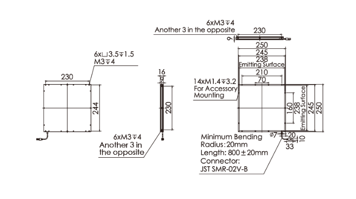
OPT奥普特 OPT-FL250250-R 底部背光源 型号 OPT-FL250250-R 颜色 红 消耗功率 33.8W 通道数 1 外壳尺寸(长) 250 发光面尺寸(长) 238 建议配套控制器 OPT-DPA2024E 手机/微信:18320955412 电话:86 0755 84689265 QQ:2423332841 邮箱:2423332841@qq.com
分类:
货号:
OPT-FL250250-R
分享
相关产品
描述
OPT奥普特 OPT-FL250250-R 底部背光源
| 型号 | OPT-FL250250-R |
|---|---|
| 颜色 | 红 |
| 消耗功率 | 33.8W |
| 通道数 | 1 |
| 外壳尺寸(长) | 250 |
| 发光面尺寸(长) | 238 |
| 建议配套控制器 | OPT-DPA2024E |
手机/微信:18320955412 电话:86 0755 84689265 QQ:2423332841 邮箱:2423332841@qq.com